
|
|
TRIO (Kenwood) TS-820S
HF SSB Transceiver
Japanese Version: Serial #620964
|
|
|
|
あこがれと挫折
|
|
しばらく
IC-502
で運用していて、やはりHFに出てみたくなりました。
高校1年生だてらに新聞配達の収入をアテにしてローンを組み、総額16万円の新品で買ったのは、トリオTS-820X。
TS-520Vにしておくところが妥当でしたが、長く使うつもりだったし、
多少無理をしてでも出たばかりの高級機にしておくほうが賢明と思われたのです。
それも純正スピーカ、SP-820とセットで。
ただしデジタル表示ユニットはいったんローンを払い終えてから追加しようと思い、
デジタル表示ユニットなしのTS-820Xにしたのです。
自分の部屋の真ん中で燦然と輝くこのマシンで憧れのDXにチャレンジできる・・・と、
いつしか涙が溢れてきました。
無線機の操作そのものは簡単にマスターできたものの、
しかし、TS-820で本格運用を始めることがなかなかできません。
アンテナを用意できなかったのです。
Vダイポールでもグラウンド・プレーンでもいいからお店で買ってきて使えばいいのに、
アンテナくらい自分で作らなくちゃ、と、何も知らないくせに見得を切ったのが間違いでした。
アンテナチューナもなく、どうにもSWRを下げられず、
僕にはHFはまだまだ無理だ・・・と意気消沈し、
ついには力のない自分をTS-820があざけり笑っているかのように思え始めてしまいました。
ごめんよ、820。僕には君を使いこなすことができない。
まだメーカー保証の残っているTS-820Xは、10万円でローカル局に引き取られていきました。
|
|
|
|
強くなれただろうか
|
|
・・・という具合に私の第一期ハムライフは終焉を迎えてしまいました。
開局30周年を目前にして、開局当時と同じIC-502で再開した第三期は、こんどこそ最期まで続けるつもりでいます。
しかしそのためには、無理せずあわてずと言いながらも、なんとしてもあの悔しい挫折から立ち直らなくてはなりません。
なので、ハムの集いで程度のよさそうなTS-820Sを見つけたときは、今度こそ! という気になったのです。
2006-11-26 TS-820S入手
私は中学生から電信級のままなので、100W出力のこの無線機で電波を出すことはできません。
それなら一念発起して2アマをとればいいのです。
最大の難関は、集合住宅でアンテナが用意できないこと。
結局ここでつまづくのか・・・ でもサイン波インバータ式発々で移動運用という手も。
あ、やっぱり100Wじゃダメだ。
50Wへのパワー低減は可能かな?
そんなことを考えながら電源を入れたTS-820は、当初 各コントロールのガリがひどかったものの、
いじっているうちに調子を取り戻し、快調に受信しはじめました。
Sメータの動きも快調。
デジタル表示は正常になることがあるものの、表示が不安定になります。
この辺は十分想定されるトラブルです。
外装やフロントパネルの汚れ具合は年代相応で、比較的丁寧に扱われたと見えます。
本機にはCWフィルタは実装されていません。残念。
|
|

|
|
|
|
WPXコンテスト2日目の朝に21MHzでも聞いてみようと思って、TS-820Sに火を入れてみました。
すると数分後、
バチン!!
という音とともに電源が落ちてしまいました。
見事に6Aのラインヒューズがプローしています。
さあて、そうこなくっちゃ。
オレを試そうとしているんだろう?
あの頃はただ買ってきて、そして売ってしまっただけだった。
しかし今はちょっと違うぞ。違ってなくちゃ。
・・・はたして直せるかな?
2007-03-26 メインヒューズがブローした
|
|

|
|
電源回路
|
|
ヒューズが飛んだその瞬間、部屋の照明が一瞬暗くなりましたから、実際に大電流が流れたのは確か。
しかし焦げ臭くなったり発煙したわけではないので、ショート故障が瞬間的に起こったのでしょう。
内部を見渡しても、目だった故障はありません。
新品の5Aヒューズを入れ、POWERスイッチをONにすると、その瞬間に再びヒューズが飛びました。
このときHEATERスイッチは入れていません。
TS-820は真空管とトランジスタのハイブリッド機です。
本機ではすべての内部電源は電源トランスから給電されますが、
電源回路には真空管用の高圧系が出力管プレート用800Vをはじめとする複数の系統、
トランジスタ用の14V低圧系そして真空管のヒータ系があります。
ヒューズを飛ばしたのがどの系統なのか切り分けるのが最初のステップです。
TS-820のラインヒューズは普通の管ヒューズで、160W入力のSモデルでは6Aヒューズ、
10W出力モデルでは4Aヒューズを使います。
原因が見つかるまでは何回かヒューズを飛ばしてしまうでしょうから、
負担を少なくするために2Aヒューズでテストしてみます。
ただし2Aではトランスの突入電流で切れてしまうかもしれませんが。
周波数カウンタの動作が安定してませんでしたから、カウンタ内部のショートというのはありえます。
しかしカウンタに電力を供給しているのは5V-AVRユニット、要するに3端子レギュレータです。
カウンタ内部が過負荷になっても3端子レギュレータの保護が動作するだけで、ヒューズをとばすことはないはず。
5V-AVRユニットなしで試しても、やはりヒューズは飛びます。
ヒューズが飛ぶシナリオは、トランス2次側の過負荷のほかに、1次側のショートと、
最悪のものとしてトランスそのものの内部ショートがありえます。
そこでまず先に1次側のチェックをします。
冷却用ファンは100Vで直接回りますのでまずこのコネクタを外しておき、
1次側巻線に並列に入っている外来ノイズ吸収用キャパシタを外してみましたが、
これらに問題はありませんでした。
|
|

|
|
|
|
電源トランス2次側のうちヒータやDC-DCコンバータ用をのぞく巻線は、
すべていったんX40-1090-02整流ユニットに入ります。
この結線はラッピングで行われています。
お次はやはり、これをひとつひとつ外していって、
ヒューズが飛ばなくなるところを探してみるようでしょう。
送信していなくても切れるのだから、最初は受信機を動作させる低圧系14Vの巻線を試します。
しかし負荷を外しておいて電源を入れてみると、
やはり瞬間的にヒューズが飛びます。
ヒータースイッチはOFFのままだし、
真空管が温まるまでもなくヒューズが飛ぶのでここではないだろうと予想しますが、
一方で最もパワーを取り扱うのは送信機出力用の800V系電源。
そこで2番目の試みに800V系の配線を外して試してみると、おお、ヒューズは飛びません。
14V系配線を戻すと、TS-820Sは3.5MHzのラグチュー局ののんびりした交信を受信し始めました。
故障の原因は800V系にあることがわかりました。
2007-03-30 ヒューズブローの原因は800V系にある
|
|

|
|
800V系
|
|
大パワーを取り扱う800V高圧系ですが、
関連している回路は電源回路、終段管プレート回路と、せいぜいメータの高圧測定機能だけ。
テスタで整流回路ダイオードの導通や負荷抵抗等を調べてみますが、
明らかな異常は見出せません。
半導体素子は低電圧時は正常なものの高圧がかかると異常導通する、
そのためテスタでは故障を見抜けないことがあります。
やはり実負荷テストしかないのかな。
しかしNoobowSystems研究安全管理規定には、
「高圧回路の保守点検作業に際しては、作業者を直視観察できる位置に少なくとも1名の監視者を配置すること」
との規定があります。
このため、ヨメが寝てしまった深夜には、
800V系の実負荷テストを行うことはできません。
800V系電源は、交流の正負の半サイクルのそれぞれがダイオードで整流され、
電解キャパシタ2段に充電されてDC800Vを生成する倍電圧整流回路になっています。
この電力は終段管プレートに給電される一方、HVユニットで分圧されてメータでのプレート電圧測定用電圧が生成されます。
もっともありえそうなシナリオは整流用ダイオードのショート故障ですが、
もしダイオードがショートしたら即2次側がショートというわけではなく、
逆電圧を印加された電解キャパシタとのあわせ技でショート状態になりえます。
しかし、ダイオードを直接アナログテスタで計ってみてもショート故障しているようには見えず、悩み始めてしまいました。
|
|

|
|
|
|
とにかく要因を減らすため、800V系の負荷を外しましょう。
800Vトランス2次巻線を接続しておき、終段管プレートへの供給ワイヤを外してみます。
切り離した終段管プレートへのワイヤとシャーシの間には、アナログテスタで見る限り導通はなく、正常に思えます。
期待通りというか、この状態でもヒューズは飛んでしまいます。
HVユニットは目視で異常なさそうだし、実際これを切り離してもヒューズはブロー。
つまりは負荷が全くない状態でもヒューズが飛ぶわけで、800V系の電源回路そのものの故障です。
さらに配線を外し、右図のように800Vを作り出す上下2段重ね電解キャパシタの下側だけを使うようにしても、
やはりヒューズはブローします。
ありゃありゃ。
ここまで簡単にしたのにヒューズが飛ぶって言うのはどういうこと?
まさか電源トランス内部でレアショートかと思いましたが、
右図で電解キャパシタまでも切り離せばヒューズは飛びません。
トランスは正常と判断しましょう。
すると、ダイオードがショート故障していてAC電力が電解キャパシタの容量でショート状態になる、
または電解キャパシタそのものがショート故障しているということになります。
あるいは、ありえなさそうですが470kΩかセラミックキャパシタのショート。
さらには、これらが複合して起きているのかもしれません。
|
|

|
|
ダイオードではない!
|
|
直すことだけを目的にするのであれば、
あれこれ悩まずこの時点で800V系のダイオードや電解キャパシタ等の関連部品をすべて新品にするのがいいでしょう。
しかしラボには高圧ダイオードも500V 100μFのキャパシタも在庫がありません。
もうすこし掘ってみます。
ダイオード故障説への反論は、整流ボードの上では2つのダイオードが直列に使われている、
ということ。
ひとつがショートしてももう一方で耐えるのではないかと思われます。
使われているダイオードはV08Jで、耐圧は800V。
1本だけでも動作するはずです。
そこで、電解キャパシタを切り離し、別のキャパシタを使ってみます。
500V 100μ品はありませんので、壊れたPCのAT電源ユニットから取り外した220μ 200V品を2つ直列にし、
110μF 400V品として試してみます。
短時間なら大丈夫かな。
すると、ヒューズは飛びません。
おおお、ケミコンが逝っちゃってたのか。
代替電解キャパシタの両端には安定したDC450Vが得られています。
|
|

|
|
|
|
次に、ダイオードD3/D4と電解キャパシタC22で構成される上側回路のみで動作させると、
こちらはオリジナルの電解キャパシタで正常に動作し、その両端には安定したDC450Vが出ています。
これで、故障の原因はELNA CE-W型
500V 100μF 大型アルミ電解キャパシタ、C21のリーク過大故障
であると断定できました。
無負荷時での上側キャパシタ(と並列に入っている450kΩも含めて)への流入電流は、
電源投入時に数100mA(アナログテスタなのでピーク測定不能)、定常時で約1mAで多少ふらつきます。
上側キャパシタC22は正常な様子ですが、C21と一緒に交換してしまうのがよいでしょう。
さあて、これにズバリのキャパシタは入手できるかな。
800V系は切断したままですが、5V AVRユニットを元に戻してデジタル表示を動作させました。
もうヒューズが飛ばなくなったTS-820Sは、3.523MHzでSwains Island DXぺディションのN8Sを受信しています。
2007-04-04 大型アルミ電解キャパシタ C21のリーク過大故障であることが確定
|
|

|
|
周波数カウンタ
|
|
高校生のときは手が届かなかった憧れのデジタル表示装置を今回 ようやく手に入れることができましたが、
予想していたとおり、動作が不安定です。
正常なこともあるので、おそらく接触不良あるいははんだクラック等が原因でしょう。
まずは構造を学ぶべく、カウンタASSYユニット X60-1020-00とディスプレイ ユニットX54-1170-00をシャーシから取り外し、
カウンタASSYユニットを分解して清掃しました。
6価クロムメッキ鋼板製のカウンタASSYユニットケースは表面が多少ざらついていましたが、
腐食等はなく、軽く湿らせた雑巾で拭いたあと乾拭きをしたところきれいになりました。
内部の2枚の基板にはわずかなホコリがあり、またひょっとしたら修理されているのではないかと思われるリワークが見られましたが、
それとわかる劣化や熱異常は見受けられませんでした。
清掃の後に仮組してみると、
デジタル表示はすべて正常です。
やはり接触だったのね。
はっきりと故障していればTS-820のカウンタユニットの動作をじっくり学べるいい機会だと思ったのですが、
すっきりと直ってしまったので、勉強は次に異常が発生したときのお楽しみにして、
カウンタユニットを正規組付しました。
カウンタボードのコネクタ取り付け部はぐらついていましたので、
この部分は今後要注意です。
内蔵キャリブレータでメカダイヤルを校正したところその読みはほぼ正確で、
デジタルカウンタの表示もそれとほとんど差がありません。
再校正せずとも実用になるレベルのようです。
美しい緑白色のデジタルが7.007.0を表示するそこは、
ぺディション局を呼び出す無数のCW局の信号が折り重なり、まるで宇宙空間から流れてくる歌声のように聞こえています。
・・・・CWフィルタ欲しいな。
2007-04-05 周波数カウンタユニット取り外し清掃
|
|

|
|
EXT VFOコネクタ
|
|
純正外部VFOを接続するためのEXT VFOコネクタは、
TS-820S本体のみで運用するときはダミープラグを差し込んでおきます。
私の個体は入手時にダミープラグが失われており、
短いビニール線が差し込まれていました。
ビニール線の内部導体はあまり酸化していない銅色ですので、
ハムの集いのテーブルに乗る直前に取り付けられたものでしょう。
本日ポゴと立ち寄ったハムショップで9P MTコネクタを買ってきましたので、
ダミープラグを作りました。
プラグはもうひとつ買っておきました。
DXにはスプリット運用は不可欠ですから、
DDSを使って外部VFOを作るとか、
または手持ちの高安定周波数シンセサイザを外部VFO代わりにするとか、
このコネクタだけでも遊ぶアイデアはいろいろありそう。
それにしてもオンフレでWとSSBで交信できる7MHz帯の拡張は楽しみです。
2007-04-06 リモートVFOコネクタプラグを製作
|
|

|
|
また飛んだ・・・
|
|
不良となったキャパシタの代用の200V耐圧のキャパシタ2本直列は、
数時間連続して受信動作しても問題が出ていません。
ので、無理は承知で送信テストを始めてしまいました。
TUNモードでのファイナル調整の各コントロールは正しく効いているようなので、
CWでキャリアを送信してみると、通過型パワー計の読み値で100Wを超える出力が得られます。
28MHz帯では50W。
前オーナーはファイナルがボケていると思うとおっしゃっていましたが、
タマのせいではなく、劣化しつつあったプレート電源のためにパワーが低下していたのかもしれません。
TS-600
に付属していたオバQマイクをつないでSSB送信を試してみると、
これもうまく行っているようす。
完全復調は間近なようです。
各バンドでしばらくチェックしているうちに、
あれえ? なんだかパワーが低下してきたみたいだ。
最初100Wを超えていた7MHz帯でさえ、70Wがやっとになっています。
それに、ちいさなミシミシ音が聞こえてきました。
まあこれは真空管の発熱によるものだろうと思って調整を続けますが、
どう調整しても50Wしか出なくなっ・・・
バチン!
またまたヒューズが飛んでしまいました。
どうやら代替キャパシタがイカレたようで、
これを外したらヒューズは飛びません。
やれやれ、やっぱりケミコンを新品に交換するまでは送信テストはおあずけのようです。
パワーアンプセクション内部は高圧と空冷ファンによりホコリが他の部分より多いだろうと想像していましたが、
案外にきれいな状態を保っています。
清掃メインテナンスによってきれいになっているようではなさそうです。
これは前オーナーの部屋がいつもきれいに掃除されていたからなのか、
それとも実稼働時間が短かかったのか?
ともあれ終段管S2001Aはホコリでうすらボケていましたので、
ガラス管を軽く水ふき。
また周囲を含めて軽く清掃し、きれいになりました。
2007-04-08 暫定代替平滑キャパシタ故障
|
|

|
|
RITを調整しようとしたら
|
|
RITコントロールは、センターが明らかに数100Hzずれています。
これは気分が悪いので再調整しましょう。
RITは電圧で周波数を可変するので、RITの調整をはじめるまえにまずAF-AVRユニットで生成される9Vを正しく調整しておく必要があります。
サービスマニュアルのセクション1.1での9V調整と、1.2の3.3V調整を行いました。
3.3V調整のためのトリマはわずかな動きで大きく電圧が変化するので、±1%にあわせこむのはかなりの忍耐を要しました。
9Vと3.3V調整ができたので、サービス マニュアルのセクション2.9の手順に従いRITの調整を行います。
これはRITの調整というよりも、RITがセンターのときの受信周波数にRIT OFF時の受信周波数を合わせる、という流れになります。
それではと調整用トリマVR2に調整ドライバーを触れたら・・・
トリマの接触子がポロリと脱落し、通電したままのシャーシのなかにチャリンと落ちてしまいました。
うわわわ。
こんなこともあるから、パワーアンプセクションを上にした横置きが正しいサービスポジションなんです。
これじゃ脱落直前も接触圧は弱かったはずで、
RITずれは壊れかかったトリマが原因だったようです。
AF-AVRユニット基板を外そうとしたら、その4本のネジは仮止めにしても緩すぎる締め付け具合でした。
明らかにプロでない人間によるサービスが入っています。
そうか、3.3V調整のためのVR1はやはり同様に壊れてしまい、誰かによって交換されたんだ。
おそらく抵抗値の高い手持ち品のトリマポテンショを使ったために、調整が極端に敏感だったのでしょう。
壊れたVR2はオリジナルと同じ10kΩ、ただし形状の違うものに交換しました。
AF-AVRユニットのボードは、シャーシ下面にあるためもあり、
各素子はどことなく色あせてはいますが、とてもきれいな状態を維持しています。
2007-04-09 RIT調整トリマ脱落故障
|
|

|
|
|
|
新品トリマを取り付け、AF-AVRユニットを元に戻し、再度RITの調整。
今度は気持ちよく調整が完了しました。
AF-AVRボードをよく観察すると、R26とC19が基板製造当初から実装されておらず、
両者の間にジャンパが飛ばされています。
いろいろとマイナーな設変が入っているようです。
RIT ON/OFFスイッチは接触不良があり、切り替えの瞬間に受信周波数がチャピります。
これはフロントパネルを外してスイッチに手が届きやすくしてから対策を考えましょう。
2007-04-12 RIT調整トリマ修理
|
|

|
|
そして春がきて
|
|
私の修理作業にはセーフティ ウォッシュとシンプルグリーンが必須アイテムですが、
ここのところホームセンターにシンプルグリーンを見かけなくなっていて、
ラボで品切れ状態が続いていました。
本日ヨメが店員さんに尋ねてみたら、家庭用洗剤売り場ではなくてなぜか資材館農業用ケミカルのコーナーに売られており、
しかもそれは「シンプルグリーン レモン」。
なんと黄色いのです。
これじゃ緑のボトルをいっしょうけんめい探していたら気がつかないわけだ。
さらにジェルタイプと泡タイプも発売されていて、
こりゃ知らんかった。
というわけで久しぶりに入手できたシンプルグリーンでTS-820Sのフロントパネルを洗います。
どうやら前オーナーはパネル右側、ファンクションスイッチの前あたりに灰皿を置いていたようで、
パネルのシルク印刷は右側を中心に黄色くぼやけていました。
つまみをすべて外してフロントパネルを取り外し、
デジタル表示窓にはかからないようにシンプルグリーンレモンを直接スプレー。
指とブラシで軽く磨き、ぬるま湯で洗い流しました。
つまみ類はシンプルグリーン希釈液で超音波洗浄しましたが、
こちらはあまり目立った変化はありません。
パネルを外したついでに、RITスイッチにセーフティ ウォッシュをひと吹きしておきました。
フロントサブパネルはきれいな状態を保っており、刷毛でほこりを落としたのみ。
パネルを組み付けると、
シルクの黄ばみは完全に落ちてくっきり白く、
メータとデジタル表示部の透明プラスチックもすっきり。
う~ん、きれいになった。
TS-820Sにその凛とした表情が戻りました。
普段は迷惑以外の何者でもない3.5MHzの音楽局をこのときばかりはテストに利用。
RITつまみをセンターにしておき、RITスイッチをON/OFFしてもほぼチャピることなくピッチはぴったり安定しており、
いい感じです。
しかし、ただでさえ狭いHF帯のスペクトラムを占有している音楽局は、
アマチュア業務の定義とか著作権の問題とかをすべて度外視したとしても、
あのいたたまれない選曲はなんとかならないものでしょうかね。
アマチュア無線は老人の趣味、と言われてしまってもあれではとても反論できません。
2007-04-15 フロントパネル清掃
|
|

|
|
モニタ機能
|
|
800V電源は動作しないままなので、ドライブ段とパワーアンプ段なしで送信テストをしてみます。
マイクからのSSB変調は正常に動作しているようす。
また、VOX機能も動作します。
送信機能に問題はないようです。
TS-820Sにはモニタ機能があり、送信時に自局の変調をモニタできます。
そこでオーディオブックをオーディオソースに使い、フォーンパッチ入力に入れてテストを続けてみます。
スピーチ プロセッサ回路も正常に動作しているようです。
プロセッサON-OFFスイッチは当初切り替え時にノイズを出していましたが、
しつこくON-OFFを繰り返したらほぼ解消しました。
しかし、モニタ回路で聞く送信音がどうもいまひとつよくありません。
Hi-Fi SSBに手を出すつもりは当面ありませんし、
通常のQSOには問題がないレベルですが、
現状ではちょっと不満。
また、長時間連続送信動作させておくと、
音質が悪くなったり元に戻ったりしているような気もします。
TS-820S本来の健康な状態を知らないのですぐに故障していると決められずにいますが、
じっくり調べたほうがいいかもしれません。
モニタ機能は、送信時のIF出力を「受信」する独立したモニタ回路により実現されています。
モニタ回路はIFユニットのなかにあって、右図のようになっています。
送信機IF SSB信号を小さなキャパシタで引き出して、バッファしたあと1段増幅し、プロダクト検波して音声復調しています。
モニタ回路のオーディオ出力は、受信用の低周波アンプ出力とミックスされてオーディオパワーアンプで増幅されます。
モニタ回路への電源は、USBまたはLSBモードで送信中で、かつMONITORスイッチが入っているときにのみ給電される仕組みです。
モニタ機能で聞く音がよくないのは、
そもそも送信側で音質劣化しているのか、
それともモニタ回路に問題があるのか?
|
|

|
|
マイクアンプ
|
|
フォーンパッチ入力ジャックからの音声信号は、
アッテネータを通った後、通常のマイクと同様に初段マイクアンプに入れられます。
TS-820フロントパネルのMICコントロールは初段マイクアンプと次段マイクアンプの間に入っていますので、
フォーンパッチ入力レベルが極端に過大な場合はMICコントロールを絞っても初段マイクアンプで発生した歪は防げません。
IFユニットのトランジスタQ22、2SC1000GRはRFスピーチプロセッサ入力側DBMを駆動するためのバッファ アンプです。
このトランジスタのエミッタから信号を取り出して外部アンプで増幅し聴いてみると、
歪はありません。
ここにはRFプロセッサスイッチを入れるとキャリアの漏れが見られますが、音質に大きな変化はありません。
初段マイクアンプQ19にも歪は発生していないといえます。
マイクアンプの出力は、IFユニット上のTP2にでています。
ここはそのままダブルバランスドミキサ入力のオーディオ信号となります。
ここから信号を引き出し外部アンプで増幅して聴いてみると、いい音がしています。
RFスピーチコンプレッサ動作時の圧縮音もごく正常な感じ。
スピーチ信号で一晩連続送信動作させても音質に劣化は発生していません。
マイクアンプからバランスドミキサまでのオーディオ回路は正常だと判断しましょう。
RFユニット上のドライバ管12BY7Aのグリッドから短いリード線を引き出してアンテナ代わりにして、
別の受信機で送信音をモニタしてみると、うん、ごく普通のSSB電話の音質が得られています。
TS-820内蔵モニタ回路で聞くと、マイクゲインのセッティングで結構音質が変化したり過大入力で歪が発生したり聞こえてしまうのですが、
実際の送信信号を聞くと、マイクゲインを多少変化させても大して音質には影響していないようです。
となると、モニタ回路の復調回路の音質がよくないのかもしれません。
それとも、TS-820のモニタ回路の音質なんてそもそもこんなものなのかなあ?
|
|

|
|
-6V系電源
|
|
-6V系電源電圧は、FIX-VOXユニット内部の1石インバータにより生成されます。
出力電圧はツェナー ダイオードにより安定化されています。
この電圧は送信用SSB IFアンプやAGC OFFのためのカットオフ電圧、
そしてRFユニットの中で送信制御するために使われています。
電圧が大きく狂うとあちこちに奇妙な現象が出てきてしまうでしょう。
念のために実機を調べてみると、DC-6Vラインの電圧は受信時・送信時とも-5.94Vで安定しており、
問題は見受けられませんでした。
|
|

|
|
28MHz帯のパワーダウン
|
|
JJ1GRK 高木 誠利OM著 HFトランシーバ メインテナンスガイド
(2002 CQ出版社 ISBN4-7898-1470-X)
には、PD2の接続を切り離せば全バンド50Wにパワー低減できる、と書かれています。
おお。 いまだに電信級で、かつ移動運用しかできない私にとってこれはこれは大きなヒント。
しかしハンドヘルド機の受信範囲拡張改造じゃあるまいし、
本にそう書いてあったからその通りにしましたというのはできれば避けたいし、
この時代の機械ならその理屈も理解できるでしょう。
というわけで、28MHzパワーダウンの理屈を調べてみます。
TS-820にも仕向け地によるバリエーションが見受けられますが、
そのひとつが28MHz帯の送信出力パワーダウン。
日本語版のユーザーズマニュアルには
5,3 終段電力増幅部
V,Xタイプは10W、S,Dタイプは80W出力の電力増幅部です。
V,Xタイプは送信管S2001Aを1本、S,Dタイプは2本で構成され、所定出力を得ております。
またS,Dタイプにはクーリングファンが取り付けられており、
終段電力増幅器を強制空冷するとともに、セットの温度上昇を防いでおります。
S,Dタイプの28MHz帯は、終段電力増幅管のスクリーングリッドの電圧をBANDスイッチにより切り替え、
出力50Wに低下させております。
とありますが、輸出仕様ではただ単に
5.3 FINAL STAGE POWER AMPLIFIER
This amplifier delivers 200W PEP input by 2 transmit power tubes (S2001A).
It is equipped with a cooling fan to avoid temperature rise during operation.
とあるだけ。
回路図を見ると、輸出仕様では120V/220V電源電圧切り替えスイッチが追加されているほか、
日本仕様ではファイナルユニットPD2の配線に、バンド切り替えに連動したスイッチが入っています。
ふうん、これがスクリーングリッドの電圧を切り替えているんだな。
|
|

|
|
|
|
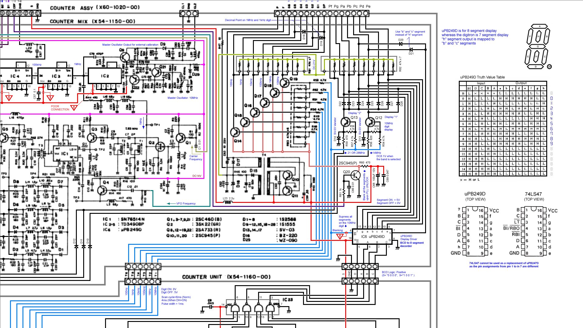
回路図からファイナルのスクリーングリッド電源周りを抜き出した図を右に示します。
210A系電源はドライバ管12BY7Aとパワーアンプ管S2001Aのスクリーングリッド電圧のためで、
電源トランスの230V巻線をダイオードで半波整流してつくられています。
210Aの電圧を受信時にRFユニットのRF3コネクタ1ピンで実測したところ263Vでした。
210A系電源ラインの電圧はまた、レクチファイヤユニットの中で1/2に分圧され、
サイドトーン発振器の電源電圧として使われます。
何らかの故障で210A系電圧が得られなくなったときは、サイドトーンが出ない仕組みになっています。
さてパワーアンプのスクリーングリッド電圧ですが、
図から判るとおりけっこう複雑です。
トランスバータ スイッチをONにしたとき
スクリーン グリッド電圧はかかりません。
トランスバータ コネクタに接続されたトランスバータがOFFのときは、
トランスバータ ケーブルを経由してトランスバータからスクリーン グリッド電圧が戻り、
通常のHF運用が可能な仕組みになっています。
リアパネルのSGスイッチをOFFにしたとき
スクリーン グリッドには負の電圧(-C電圧)がかかります。
トランスバータを使わず、リアパネルのSGスイッチがONのとき、つまり通常動作時は次のようになります。
MODEスイッチがTUNEのとき
210系電圧を1/2に分圧した電圧がスクリーングリッドにかかります。
これにより調整送信の際のパワーダウンを実現しています。
MODEスイッチがFSKのとき
210系電圧から12kΩの抵抗を介したFSB電圧がスクリーングリッドにかかります。
これにより、FSK連続送信時のパワーダウンを実現しています。
MODEスイッチがCW/USB/LSBのとき(輸出仕様:全バンド / 日本仕様:28MHz帯以外)
210系電源がファイナル ユニットのPD2ピンからPD1に出てきて、
ファイナル ユニットのSGピンに戻され、スクリーングリッドにかかります。
これがフルパワー動作の状態です。
MODEスイッチがCW/USB/LSBのとき(28MHz帯のとき)(日本仕様のみ)
スイッチS4-5はオープンになるので、ダイオードD2を通過したFSB電圧がファイナル ユニットのSGピンにつながり、
スクリーングリッドにかかります。
受信状態でヒータースイッチを入れずにパワーアンプ管のスクリーン グリッド電圧を測定してみると、
266V出ています。
TUNEポジションでは129V。
またリアパネルのSGスイッチをOFFにすると-119V ("-C"電圧) になります。
FSB電圧は、パワーアンプ管が動作してスクリーングリッドに電流が流れ始めてから下がり始める仕組みのため、
ヒータスイッチOFFのままでは269Vが出ています。
輸出用バージョンでは28MHzパワー低減スイッチはなくて直結になっていますが、
ダイオードD2は残っているようです。
はて、これは要らないんじゃないのかな。
単に取り外すのを忘れちゃっただけなのかな、それとも深い意味があるのだろうか?
いずれにせよ、本に書かれている通り、ファイナルユニットのPD2配線を外せば全バンドでパワーダウンが可能になるようです。
電源のケミコンがないので実際のテストをしていないというのに、
嬉しくなって勢いで正弦波インバータ方式の発々を注文してしまいました!
|
|

|
|
サイドトーン
|
|
KEYジャックに電鍵代わりのソリッドステート・リレーをつなぎ、
EL-500
で簡単に作ったON-OFF回路でキーイングのテストをしてみます。
TS-820のKEYジャックには-65Vのブロッキング電圧が出ているので、
ソリッドステートリレーを介してキーイングさせるときは電圧極性に注意する必要があります。
ドライバとパワーアンプは停止状態のままTS-820Sを送信状態にし、キーダウンすると、
プーというサイドトーン音とともに電波が発射されました。
RFミキサの出力を他の受信機でモニタしてみるかぎり、
送信波の受信音調にははわずかな濁りが感じられ、
完璧なトーンではないように思われます。
なにか問題が隠れているのかな。
まあこれはドライバ段とパワーアンプが動作しだしてから調べればよいでしょう。
1m程度のビニール線をアンテナとして使うと、500m位は電波が飛んでいるようです。
ウルトラ・ローカルとのQSOならヒータスイッチOFFでも可能かも。
キーダウン時のサイドトーンは純粋な単音ではなくて、方形波成分が混ざっているような、すこしブザー的な安っぽい音調です。
せっかくの高級トランシーバなんだからこの音調はちょっとなあ。
新品のときのサイドトーンがどんなものであったか覚えていないのですが、
こんなに品がなかったのかなあ?
TS-820のサイドトーン発振回路は、キーダウン時にスピーカからトーンを出すためと、
VOX回路に入力することによるブレークインのためにのみ使われます。
したがってみっともない音であったとしても、自分さえ我慢できるなら相手局に気づかれる心配はありません。
サイドトーン発振回路はトランジスタ1石によるCR位相発振器で、
FIX-VOXユニットに同居しています。
サイドトーンのモニタ音量はトリマで調整可能ですが、
発振周波数を調整することはできません。
サイドトーン発振回路出力をオシロで見てみると、きれいな正弦波ではなく、急峻な変化点があります。
発振周波数は694Hzで、その振幅はST端子で5.7Vp-pでした。
まずはFIX-VOXユニットを外さずに、テストリードで当たれる部分で点検してみましょう。
ベース電圧は固定で、210V系電源を1/2に分圧したSTBライン(約100V)からWZ-130 ツエナー ダイオードで安定化した13Vが作られ、
これを270kと22kで分圧した
13.0 * 22 / (270 + 22) = 0.98V
が与えられます。
実測してみるとDC分は約1Vで、回路図と相違ありません。
ベースでのAC分は0.3Vp-pで、急峻な変化をもつ波形になっています。
背面パネルのKEYジャックにプラグが差し込まれていないときはツエナーダイオード両端がショートされてベース電圧はグラウンドに落とされ、
したがってサイドトーン発振回路は動作しません。
この仕組みが何のためなのかいまひとつ必要性が理解できずにいるのですが・・・。
どなたかご教授を。
エミッタ回路はCWモード以外では開放となり、サイドトーン発振器は動作を停止します。
これは納得のいく仕組み。
エミッタ電圧は実測DC0.4Vで、ベース電圧から電圧障壁ぶんの0.6V低下していますから、概ね予想通り。
エミッタ抵抗は1kΩが使われているので、エミッタ電流は0.4mA流れているということになります。
エミッタでのAC分信号は20mVp-pで、波形は正弦波ではないものの急峻な変化部はありません。
コレクタ電圧はTS-820のトランジスタ回路の多くを駆動している9V系電源から、
10kの抵抗を介して給電されています。
コレクタ電圧は実測5.2V。
エミッタ電流≒コレクタ電流で0.4mA流れているとすれば、コレクタ抵抗R49 10kΩでの電圧降下は
0.4mA * 10k = 4V
なので、9V - 4V = 5V がコレクタにかかっているはずで、
実測値と合います。
これらから、直流電圧で調べる限り異常は見出せません。
コレクタから発振出力を取り出すキャパシタC32も、
エミッタパイパスのC33も正常な様子です。
すると、キーイング回路を含むCR位相ネットワークが問題なのかな。
1S1555ダイオード D19は、キーイングに応じてスイッチング動作をします。
キーアップのときはR47とR44を介してブロッキングバイアスが外部からかかり、
D19のアノード側はマイナス約30Vに逆バイアスされます。
このため信号はD19を通過することができず、発振は停止します。
キーダウンすると、D19のアノードは少なくともプラス1V以上になり、
信号はダイオードを通過することができるようになるので発振動作がはじまります。
|
|


|
|
フルパワー
|
|
久々の休暇をとり、高崎線のグリーン車に乗ってポゴと上野動物園に出かけました。
が、月曜日は休園!!
がーん。博物館に行くにはポゴにはちょっと早すぎるし。
ポゴは案外ドライな性格で、さほどのショックはない様子。
じゃあパパのお買い物に付き合ってよ、というと「うん、いいよ」という返事。
パパが
三栄電波
でどのキャパシタにしようかと悩んでいる間、ポゴはいろいろなカラフルな電子部品を眺めて待っていてくれました。
選んだのは、日本ケミコンの550V 100μF品。
原因判明から2ヶ月、ようやく高圧ケミコンが手に入りました。
外径は同じで高さはオリジナルより低め。
品質のよいネジ式ターミナルで、すっきりと取り付きました。
450Vを超える耐圧のケミコンは種類も少なくなっており今後入手性は悪くなっていくものと思われます。
試運転してみると、よしよし、28MHz帯では50W、それ以外では100Wの出力がきっちり出ています。
TS-820のメータ表示を信じるなら、終段管のプレート電圧は無負荷時(ヒータスイッチOFF時)で950V以上、
100W定格出力時で800Vです。
100Wの連続入力に耐えうるダミーロードがないのでテストはごく短時間しか行っていませんが、
動作は安定しているように思えます。
2007-06-08 800V系平滑キャパシタ交換 日本ケミコン 550V 100μF 新品2個 \2420 x 2 = \4840
|
|

|
|
減力改造・・・運用準備完了!
|
|
100Wのフルパワーを確認してすぐ、50Wへの減力改造を行いました。
前述してあるように、ファイナル ユニットのPD2端子配索を外すのみ。
うまく各バンドの出力が50Wに落ちました。
パワーダウンしたので当然RFメータの振れも半分に落ちます。
そこでリアパネルの袋ナットを取り外し、RFメータ感度調整を行いました。
RFメータの振れ具合はバンドごとに多少違うので、
7MHzでのフルパワーでほぼメータ指示100%になるように調整しておきました。
上下カバーはシンプルグリーンレモンでお湯洗い。
すこしくすみが残っていますが、まあ年式相応。
カバーを取り付けるスクリューはいずれも表面が酸化してみすぼらしく見えましたので、
全くズバリの同一形状ではありませんがステンレス製の平なべ小ネジに交換しました。
M4x5.5 平なべ小ネジ 頭部外径φ8 単価7円x17個
スピーカ取り付けスクリューも新品のステンレス品に交換しました。
キャリングハンドルは傷んできていますので、外装のリフレッシュのためには新品が欲しいところです。
キャリングハンドル ボルト間距離220mm
これでTS-820Sの修理はひとまず完了。
ようやく高校1年生の冬の時点まで追いついて、運用準備が整いました。
次回のWPXコンテストはTS-820Sで楽しむことにしましょう。
そのうちCWフィルタを追加して、
いまだに果たせないでいるHF帯電信運用への努力を再開したいと思います。
2007-06-09 減力改造実施
|
|

|
|
(ここで15年間のブランク)
デジタルカウンタ不調
|
|
サイクル25の上昇傾向の中、中央研究所の貧弱な短縮Vダイポールアンテナでも28MHzのFT8で世界中が聞こえてきます。
なんだか嬉しくて、TS-820Sを数週間連続で動作させFT8の連続受信を試してみました。
ログ解析プログラムを書けば、24時間のうちに入感してくる地域が変わっていく様子が観察できるでしょう。
中学生の夏休みの自由研究くらいのレベルでしかないにしても、立派な地球物理の観測です。
電波伝搬の研究、というアマチュア無線の本来意義にそった活動です。
なんてことを考えながら安定して連続稼働しているTS-820Sは、
しかし途中でデジタル表示不調が発生してしまい、戻らなくなりました。
2022-11-20 デジタル表示不調再発
|
|

|
|
|
|
TS-820Sのデジタル表示の不調は多くがデジタルカウンタユニット内のコネクタの接触不良とのことですから、
ユニット分解・再組立てで治らないものか試してみます。
匡体を開け、デジタルカウンタユニットDG-1を取り外しました。
|
|

|
|
|
|
DG-1内部は2枚のプリント基板がピンヘッダで相互接続される構造になっています。
ピンヘッダピンを接点ブライトで軽く清掃し、
また基板側のコネクタの接触部に接点復活剤を少量スプレーして組み立てました。
DG-1を匡体に取り付けて電源ONすると、正しくデジタル表示が出ました。
へへっ、やったね。
でも残念、匡体カバーを取り付けてラックの置き場に戻したら再発。
うむう、大して変化なかったということか。
これは実際に起きている症状を考えながらオシロを当てて、
きちんとトラブルシューティングする必要がありそうです。
すでに11月末、寒くなってきていますから、
冬の間の修理は真空管機器を優先して、
来年の春以降に修理に取り掛かることにするかな。
2022-11-28 DG-1組付 症状消えず
|
|

|
|
> 次の作業・・・ CBA-1000 実験用プラットフォーム製作
(ここで1年半順番待ち)
サービス開始
|
|
おまちどうさま、TS-820Sの修理を始めましょう。
サービスベンチに載せて、症状を再確認。
本機入手直後からときおり発生していた周波数カウンタの表示不良に加えて、
VFOダイヤルメカの動き不良。
メカのどこかが引っ掛かっているような動きです。
最後に電源を入れてから2年は経っていないのですが、
各ポテンショメータやバンドセレクタスイッチの接触不良が出ていて、
まともに受信動作を開始するまでに30分ほど、
目覚めの準備体操をする必要がありました。
2024-08-13 作業開始
|
|

|
|
ダイヤルメカ復旧
|
|
アッパーカバー・ロワーカバーを取り外し、
すべてのつまみを取り外し、
フロントパネルを取り外して、まずはダイヤルメカ。
ダイヤル盤を取り外して分解する過程のどこかで奇妙な引っ掛かりは消えましたし、
各部の清掃とギアドライブ/減速シャフトの注油を行ったらダイヤルの動きは次第にスムースになりました。
メカ動作不良の直接の原因は分かりませんでしたが、
後に組付けるときにダイヤルエスカッションの透明プラスチックを固定するちいさなネジが緩んでいたことに気がつきました。
どうやら頭が飛び出たネジがダイヤル盤のスムースな回転を阻害していたようです。
であれば、真犯人は前回フロントパネルの取り外し・組みなおしをしたヤツだな。
やっぱりオマエが原因だったのか。
ごめんなさい。
2024-08-13 ダイヤルメカ復活
|
|

|
|
周波数カウンタの持病
|
|
ついでDG-1周波数カウンタユニットを取り外し、修理を始めます。
ネットの情報を探すとTS-820のカウンタ故障はよくあることのようで、
スルーホールのビア断線の可能性が高いとのこと。
本機は入手時も、また2022年の時も、
分解してユニット再組立てすると正常になる、
また正常であってもユニットをシャシーに固定すると再発するということから、
プリント基板にストレスがかかると発生するものののようですから、
本機の症状をうまく説明できます。
ここはひとつ先達の教えに従い、
脳筋修理で全スルーホールの補修と行きましょう。
DG-1は2枚のプリント基板からなります。
ひとつはCOUNTER-MIX基板で、
VCO信号と局発信号から現在受信中の周波数を生成するミキサ回路と、
カウンタ基準周波数発生器そしてデジトロンドライバが含まれています。
もう一枚はCOUNTER基板で、こちらはロジックICが多数乗った計数回路。
スルーホールはCOUNTER基板に合計17箇所あり、
またCOUNTER-MIX基板にも1箇所あります。
ちまちまとスルーホールのはんだをいったん除去して、
細いリード線を差し込んでフレッシュなはんだを流します。
|
|

|
|
|
|
組み立ててみると、みごとにカウンタが動作しました!
しかしこれでばっちりOKということでもなさそうです。
ときおり計数値が乱れますから、
どこかに接触不良あるいは素子不良か何かの故障が残っています。
ワイヤーハーネスをぐねぐねしながら、
どこかに接触不良がないかと探しますが、
特定できません。
そのうちに、28MHz帯以上で計数動作を行わなくなってしまいました。
やっぱり何かあるな。
14MHz帯やそれ以下では正常です。
これはVCO信号が弱まっているか、それとも・・・
カウンタに現在のバンドを知らせるパンド設定電圧がおかしいのかもしれないぞ。
DG-1のミキサ回路には、バンド設定電圧に応じて4つのバンドパスフィルタを切り替える仕組みがあります。
28MHzバンド用のバンド設定電圧は正しく出ているのだろうか。
当初バンド設定電圧が予想値と違っていたので、
PLLユニットのシールドケースを開けて調べてみましたが、
それはなにかの計測ミスのようでした。
バンド設定電圧は正しくDG-1まで来ています。
2024-08-13 カウンタ動作開始 しかしまだ異常がみられる
|
|

|
|
カウンタユニットの動作を学ぶ
|
|
そうこうするうち、28MHz以外でも動作が不安定になってきました。
どうやら問題はやはりDG-1側のようです。
DG-1を再び外し、デジトロン表示器ユニットも取り外して、サービスポジション設置。
この周波数カウンタの動作原理を学びながら、
COUNTER-MIXボードのテストピンの電圧波形を調べていきます。
明らかに異常は出るものの、
じきに直ってしまいます。
どういう条件がそろうと異常になるんだろう?
|
|

|
|
尻尾をつかんだ
|
|
調べていくうちに、
COUNTER-MIXボードとCOUNTERボードをつなぐコネクタの"5"ピン、
右の画像で右側のコネクタの"5"ピンの電圧がおかしいことに気がつきました。
ここの電圧は3.8Vあたりにいて不安定に上下します。
そしてここの電圧が3.45Vを下回るとカウンタの計数値が不安定になり、
3.4Vを割り込むと計数動作が停止します。
回路図を読むとこれはカウンタユニットのロジックICを動作させるための電源で、
TS-820本体電源回路で生成された5VがCOUNTER-MIXボードのピンヘッダに供給され、
画像左側コネクタの"5"ピンを経由してもう一枚のCOUNTERボードに入り、
再びCOUNTERボードを出て画像右側コネクタでCOUNTER-MIXボードに戻ってきています。
戻ってきた電源はCOUNTER-MIXボード上の1MHzクロック発生回路と、
それを分周して1kHzを生成するロジックICの電源になっています。
本来あるべき電源電圧5Vから大幅に下がったら、そりゃあ動作停止するよねえ。
|
|

|
|
|
|
最初は本体側に取り付けられて5V電源を生成する5V-AVRユニットの故障かと思いましたがそんなことはなく、
DG-1にはDC4.95Vが供給されています。
するとDG-1の中のどこかで電圧が落ちているのでしょうか?
もしそうならどれかのデバイスが破損して過大電流が流れていたりする?
ユニットをひっくり返し、5Vの入り口と出口にプローブをつないで、
デジタルオシロ
を低速スイープモードにして、
どこで5V電圧がドロップしているのかを絞り込んでいきます。
|
|

|
|
安定動作開始!!
|
|
判明しました。
COUNTERボードの、↑の画像で緑色のフックアッププローブがつながっているコネクタとプリント基板の間の接触不良。
コネクタボディを揺すると顕著に電圧が変化します。
接触が悪いのは"5"ピンだけでなく、ほかのピンにも発生しているようす。
もともとの基板のスルーホールのつくりが強くないのに加え、
ボードを抜き差しするときにストレスがかかったのでしょう。
それがあらかじめわかっていたら、
ボードをDG-1シャシーに取り付ける時はボードを押さずにコネクタボディを押して取り付けることによって過大なストレスを防げたんでしょうけれど。
DG-1の回路図に故障個所を描き込んでみるならば、右図の赤で囲った部分。
対策は、これまた分かってしまえば簡単。
基板の裏面にまで熱が伝わるように配慮しながら、フレッシュなはんだを盛ります。
いったんコネクタを取り外すことも考えましたが、
かえってダメージを広げてしまいそうな気がして、盛りはんだのみ。
2024-08-17 故障個所判明
|
|

|
|
|
|
安定して動作しているようすだったのでDG-1を組み戻しました。
各バンドで確実に動作しています。
さあて、再発するかどうか、
この状態で数日間連続稼働させてみましょう。
今回の作業で、いまだ完全ではないにしろ、
TS-820Sの周波数カウンタの動作原理をかなり理解することができました。
ただ買ってきて、そして売ってしまっただけだった高校1年生の敗北感を、
かなり消し去ることができました。
やったね。
2024-08-17 周波数カウンタ修理完了
TS-820Sはメインオフィスのラックに戻し、
7.074MHz FT8の24時間連続モニタを開始。
2024-08-22 24時間稼働開始
|
|

|
|
> 次の作業・・・ 東芝トライX 1500
また消えた
|
|
ううう・・・1週間と経っていないのに、
24時間連続稼働中のTS-820Sのデジタル周波数カウンタの計測値が不安定になっています。
まだ完治していなかったか。
すぐに取り掛かる元気は出ず、
そのままほったらかしているうちに症状はベース周波数を表示するようになったり、
以前と同様に中央に1桁だけになってしまったり、
数ヶ月の間にいままでにみた症状がひととおり出てしまいました。
数週間まったく表示が消えたままと思いきや突然復活して、数時間でまた消えたり。
2024-08-28 周波数カウンタ異常再発
|
|

|
|
再修理着手
|
|
そのままの状態で8ヶ月放置したあとのゴールデンウィーク、
テクトロニクス2230デジタルストレージオシロスコープの修理
が終わり夢と時空の部屋のワークベンチが開いたので、
TS-820Sの再修理に取り掛かります。
DG-1の取り外しと分解、
デジトロンユニットの取り外しは方法が分かっているのでスムースにできました。
2025-05-05 DG-1再修理開始
|
|

|
|
|
|
一番怪しいと踏んでいるカウンタボードのコネクタの接触をテストしようと思いましたが、
ブザー音の出る導通テスタがありません。
秋月テスタは電池切れで使えず。
導通テスタがないなら作ればいいじゃない、
とか言いながら、
学研電子ブロックミニを引っ張り出して断線ブザーを組み立てて、
コネクタピンとプリント基板部品面パターンの導通を中心にテスト。
しかし結果、どのピンも正常に導通しています。
やはり分解するときに疑似断線が復旧してしまったか。
|
|

|
|
|
|
でも症状からしてここであることはほぼ間違いがないので、
プリント基板の半田面でジャンプワイヤを飛ばしました。
カウンタボードについているコネクタのピンについて、
配線が部品面パターンで行われているものについてすべてジャンプ。
コネクタピンは半田面には飛び出ていますから、
部品面のコネクタピンスルーホールのはんだが外れていてもこれで大丈夫なはず。
同様なことはカウンタミックスボードのコネクタでも起こりえますが、
今回はカウンタボードだけを作業しました。
再々発したら、つぎはカウンタミックスボードも同様に処置することにします。
|
|

|
|
|
|
仮組したところ一発で動作。
コネクタを揺すってみましたが大丈夫そうです。
|
|

|
|
カウンタ2回目修理完了
|
|
調子良さそうなので筐体に組み戻し。
ところが、あれっ、デジトロンが全く点灯しません。
再度トップカバーとボトムカバーを外して点検しましたが、
コネクタの接続も間違っていません。
ありゃあ、組付け時にどこか壊したかな。
デジトロンを壊していないといいのだけれど。
10分ほどあちこちいじり、ようやく気がつきました。
リアパネルの外部VFOコネクタに挿し込んであるダミープラグの接触が悪かったのです。
そういえば、点灯していないのはデジトロンだけではなくて、
VFOの赤色LEDも消えていました。
VFO信号がないとカウンタディスプレイは全消灯になるんですね。
分かってしまえば簡単なこと、
へにゃへにゃと力が抜けてしまいました。
筐体組み込み状態で数時間動作させて正常なようなので、
TS-820Sをふたたびメインオフィスのスチールラックに戻して24時間FT8モニタを再開しました。
さあて今回はどうかな、また再発するかな。
2025-05-05 周波数カウンタ再修理完了 連続動作再開
|
|

|
|
> 次の作業・・・ Ramsey AR-1 航空無線受信機キット
またまた消えた
|
|
ううう・・・ 周波数カウンタ第2回修理、3週間持ちませんでした。
でも症状はご覧の通り、
いままでにない挙動です。
完全に故障したわけではなく、その後1週間に1回程度、数時間ほど表示が正常になり、
また同じ表示パターンで故障する・・・を繰り返しました。
第2回の修理の効果がなかったのではなくて、
まだ導通不良の場所が残っているということでしょう。
カウンタミックスボードのコネクタスルーホールの損傷だと思います。
2025-05-24 周波数カウンタ表示不良故障 再再発
|
|

|
|
再再修理
|
|
Ramsey AR-1 航空無線受信機キットの機能改善作業
、途中一段落したのでTS-820S周波数カウンタの再再修理を行います。
今回は故障原因の調査は行わず、
DG-1ユニットを取り外してすぐにカウンタミックスボードの修理。
|
|

|
|
|
|
カウンタボードと同じく、基板間接続コネクタの基板との接続が基板の部品面だけで行われている部分について、
半田面でジャンプワイヤを飛ばしました。
|
|

|
|
第3回修理完了
|
|
組み立ててすぐに正常動作・・・と思いきや、
カウンタ表示が9.000.0MHzになる症状が起きました。
カウンタ回路にVFO信号が来ていない場合の挙動です。
いじっているうちに正常になったのですが、
ひょっとして不完全な作業が残っているのかもしれません。
数時間動作させて問題なかったのでメインワークベンチに戻し、
ふたたび24H連続稼働を始めましたが・・・
どうだろう。
またまたまた故障してしまうかもしれませんね。
第1回修理のあとは1週間、
第2回修理のあとは3週間持ちましたから、
今回は9週間 ― 約2ヶ月は持ってもらいたいです。
2025-08-14 周波数カウンタ第3回修理
|
|

|
|
DG-1 第4回修理
|
|
第3回修理は、残念、2ヵ月どころか1ヵ月で故障再発してしまいました。
症状は以前とやはり異なり、
飛び飛びの桁だけが表示される、
表示されるのはたいてい "4" 。
以前とは違うパターンだから、第3回の修理も一部は効果が出ているのでしょう。
というか、そう思いたい。
ということでもはや年中行事。
冬休みに入ったので、TS-820SのDG-1を修理します。
キャビネットをあけてDG-1を取り出すのはもう手慣れたものです。
で、ピンコネクタ部分に指で力を加えたら正常動作しはじめました。
やはりコネクタ、あるいはコネクタ近傍にスルーホール不良あるいははんだクラックがあるのでしょう。
でもそれがどこなのか、もはや調べるすべはありません。
仕方なく、怪しそうなところ1か所にジャンパ追加し、
ICのピンの部品面はんだ付け部7~8か所にはんだ盛り、
また何ヶ所かにはんだこてをあてて再溶融しておきました。
確証が持てない修理です。
でも再現しなければ故障個所を特定することもできませんし。
しゃあない、また組み立てて、次回の再発を待つか。
2025-12-29 周波数カウンタ第4回修理
2025-12-30 連続稼働再開
|
|


|
|
|
|
ううう… 第4回修理、
連続稼働開始36時間でまた故障発生!
小数点以外の表示がまともに出ません (/Д`)
でも大ヒントを得られました。
表示が消えているとき、
電源スイッチを切ると一瞬正常な表示が出るのです。
単なる接触不良やはんだクラックではない何かがありそう。
さらに、10分ほどOFF放置して電源入れたら正常に動作しています。
デバイスが壊れかかっていて温度が高まると故障するとかいうことなのかもしれません。
あるいは、デジタル表示の動作不良の原因はひょっとしたらDG-1の外側にあるのかもしれません。
2025-12-31 DG-1動作不良再発
|
|

Click here to watch video on Twitter
Click here for video download
|
|
DG-1 第5回修理
|
|
ということで1日たりとて無駄にせずww 新年早々 DG-1の修理を再開します。
やっばり目の前で現象が確実に出てくれないんだからモグラたたき作戦じゃうまくいきっこないですね。
第5回修理は、じっくり回路図を読んで、起きている現象をよく見て、
もう少し真面目に不具合部位のアタリをつけるというトラブルシューティング本来の努力をしましょう。
2007年から先延ばしにしていた、TS-820のデジタル周波数カウンタの仕組みの勉強です。
例によって回路図の写経をじっくり進めます。
バカバカしいこの方法ですが、いろいろな仕組みが見えてきます。
故障の症状はいくつかあるということと、
ひょっとしたら故障の原因はDG-1ユニットの外側にある可能性も考えるべきです。
小数点表示のしくみ
6桁のデジトロンはダイナミック点灯されますが、
1MHz桁と1kHz桁が選択されたときはその桁の小数点セグメントも強制点灯するようになっています。
カウンタ内部クロックが発振停止したら
DG-1内部では10MHzの水晶原発振から、1MHzのカウンタ周波数シフト周波数と、
1kHzのカウンタロジック基準クロックが生成されます。
もしカウンタクロックが停止すると、
デジトロンの桁スキャンも停止し、
表示はどれかひとつの桁に固定されます。
「どれかひとつの桁だけが表示されその表示内容は変わらない」ときは、
おそらく内部クロックが止まっているということになります。
「1MHzと1kHz桁の小数点は点灯している」場合は、
桁スキャンは動作しているということですから、
内部クロックは正しく生成されていることを意味します。
|
|

(回路図は調査が進んで改訂したものです)
|
|
|
|
PLLアンロックによるデジトロン全消灯
TS-820の局発周波数はPLL制御されたVCOによって発生されます。
PLLの位相検出器にはMC4044が使われています。
何らかの原因でPLLのロックが外れると、
PLLボード上のMC4044のD2ピンの状態から「PLLがアンロックした」ことを示す信号が作られます。
この信号は "COF" としてカウンタユニットにつながっています。
カウンタユニットにCOF信号が入ると、
トランジスタQ20がONし、デジトロンへのアノード電圧を強制的に落とします。
これによって、小数点を含むデジトロンの全桁が強制消灯されます。
つまり、
「PLLがアンロック状態にあるときはデジトロンは完全消灯する」仕組みになっています。
逆に言うと、
デジトロンのセグメントのどれかひとつでも点灯しているなら、
PLLはアンロックにはなっていない、ということになります。
ラボのTS-820ではこの「デジトロン全消灯」も起きます。
このときは同時にフロントパネルのVFOランプも消えます。
これはリアパネルのEXT VFOコネクタのジャンプピンの接触不良によってVFO信号がPLLボードに入ってこなくなるためであることがわかっています。
この症状が起きたらEXT VFOコネクタをぐりぐりやってやればとりあえずOK。
|
|

|
|
|
|
カウンタロジックシーケンス異常
カウンタの計数ロジックは1kHzからさらに分周されて生成された10Hzクロックで動作します。
もしこの計数クロックが止まってしまったり、
何らかの理由でリセットパルスやラッチパルスが出なくなった/出っぱなしになったとすれば、
正しい周波数が表示されないとか表示が変わらないということは起きるでしょうが、
各桁にはなんらかの数字がしっかり表示されるはずです。
そういった挙動はこのTS-820S実機では起きたことがありませんから、
カウンタロジックには問題が起きていないと思われます。
|
|
![]()
|
|
「小数点だけが表示されている」ということは
|
|
上記のことを考えると、「小数点だけが表示され数字はどれも出ない」ということは、
「PLLは正常なロック状態にあり、
カウンタ内部クロックは正常に生成できており、
デジトロン駆動用の高電圧発生回路も正常である」
ことを意味します。
右の動画のように、「小数点だけが表示されている状態で電源を切るとその一瞬表示が正常になり、
すぐに電源を入れると正常に復帰する」現象も観測されました。
むう、こりゃ不可解。
けれど、どこかの接触不良があればこういう挙動が出るのもあり得そうですね。
シンプルな説明はつかないから、まるで妖怪にいたずらされているような感があります。
不可思議な現象はいったんおいて、
小数点以外が表示されない現象の説明としては、
デジトロンのセグメントを点灯させるディスプレイドライバIC
μPB249Dが正しく動作していないというのがありそうです。
|
|

Click here to watch video on Twitter
Click here for video download
|
|
ディスプレイドライバを調べる
|
|
DG-1のディスプレイドライバ μPB249DはBCD to 8 segment decorder であり、
4ビットのBCDで与えられた0~9の数値に対応する表示器のセグメントを点灯させます。
このICは本来は 8セグメント表示器用ですが、
DG-1に使われているデジトロンは7セグメント品なので、
ダイオードD20とD21を使ってセグメントのリマッピングを行っています。
このICのデータシートは出回っておらず、
また補修用部品の市場流通もほぼないもよう。
このICが壊れているとしたら、
交換部品を入手するにはeBayの出物を待つしかなさそうです。
μPB249Dは八重洲の周波数カウンタにも使われていて、
やはり壊れてしまって困っているというポストも見かけました。
μPB249Dが手に入らないのであれば、
配線変更は必要ですが7セグメント用デコーダIC 74LS47で代用が可能かもしれません。
そしてこのICの4ピン、/BI入力・・・
ひょっとして?
2026-01-04
|
|

|
|
別の問題も出た
|
|
デジタルカウンタの動作異常はバンドによらず発生しているのですが、
バンド切り替え機構にも問題があることが分かりました。
いじっているうちに別の症状が発生。
右の動画では表示が安定せずぱらぱら動いてしまっていますが、
この現象は14MHz/21MHz/28MHzバンドで発生。
このとき10MHzの桁には何も表示されていません。
DG-1の10MHzの桁は、カウンタ回路ではなくてバンド切り替え信号に応じて強制表示される仕組みになっています。
1.9/3.5/7MHz帯では表示なし。
14MHz帯では"1"を強制表示し、
21/28MHz帯では"2"を強制表示する仕組みです。
10MHz桁が表示されないので、DG-1にバンド切り替え信号が来ていないのでしょう。
バンド切り替え信号は、DG-1内部では10MHz桁の数字表示をするほか、
計数用周波数を生成するミキサの出力に入るBPF(4つある)を切り替えます。
バンド切り替え信号が来ていないので適切なBPFが選ばれず、
計数用周波数信号が弱くてカウンタ表示がぱらついてしまうのでしょう。
不可解なのは、PLLボードで生成されてDG-1に入ってくる4本のバンド切り替え信号 B1/B2/B3/B4 は、
DG-1の中ではそれぞれ独立しています。
DG-1内のどこか1か所がおかしくなったためにB2/B3/B4が同時におかしくなるという可能性は思い当たりません。
ひょっとしたらPLLボードがバンド切り替え信号を生成できずにいる、
そしてその原因としてはTS-820内部で9V電源をつくるAF-AVRボードの故障なのかもしれません。
この症状はDG-1の故障ではないとして、引き続き観察をつづけましょう。
|
|

Click here to watch video on Twitter
Click here for video download
|
|
ブランキング入力
|
|
μPB249Dの4ピンは /BI で、ブランキング入力。
このピンをLに落とすとセグメント出力はすべてLになり、
その桁の表示を消せるようになっています。
DG-1ではブランキング入力ピンは桁スキャンの10MHz桁信号T1に接続されていて、
10MHzの桁の時はμPB249Dのセグメント出力はすべてLOW。
その代わりに、14MHzバンドの時はトランジスタQ12がONになって10MHz桁に "1" を、
21MHz/28MHzバンドの時はトランジスタQ13がONになって10MHz桁に "2" を表示するように作られています。
トランジスタQ12とQ13のエミッタ電圧は、バンドセレクト信号の8Vをバリスタを使って5Vに落とし、
セグメントを駆動しています。
このバリスタによる5V電圧生成機構、
よく見ると "1" のときと "2" のときとで表示の明るさに差が出ないよう、
電圧ドロップ抵抗R56とR59で抵抗値が変えられていますね。
細かな配慮です。
さてこのIC6 μPB249Dの4ピン、よく見るとPCB部品面パターンだけで接続されています。
しかもはんだ面からのはんだが部品面まで上がりきっていません。
このスルーホールのビアが断線したらどうなるでしょうか。
これがオープンになると /BI の電圧が上がらず、全セグメントが消灯してしまうのではないでしょうか。
ビアがかろうじて接触導通している間は表示が出るけれど、
温度変化などのわずかな力で接触不良が発生して表示がチラついたり、
導通不良がひどくなればセグメント全消灯が起こりえます。
DG-1基板のスルーホールはビア断線が多発していることを考えれば、
これはとても蓋然性の高いシナリオです。
なので、スルーホールとIC6の4ピンにはんだを流し込み、
さらに半田面にワイヤを飛ばして対策 (右の写真には写っていません)。
10MHz桁表示を指示するT1ラインはカウンタボードで生成され、
ボード間接続コネクタでカウンタミックスボードに入ります。
カウンタミックスボードのコネクタT1ピンの根本も部品面だけの接続です。
この部分は2025年8月 第3回修理の時にジャンプワイヤを飛ばしていました。
10MHz桁表示トランジスタには正しく信号が伝わっていたはずですが、
μPB249Dの4ピンのスルーホールは見落としていました。
それを今回手当した、という形です。
これで「10MHz桁以外のすべての桁が非表示になる」
あるいは「小数点しか表示されない」現象は出なくなるはず。
・・・てかそうあってほしいです(涙
2026-01-05
|
|

|
|
5V AVRユニットを調べる
|
|
5V AVRユニットはDG-1専用の電源回路で、DG-1内のデジタルロジック部を動作させます。
本体から供給されたDC14VからDC5Vをつくる、単なる3端子レギュレータです。
発生を現認したわけではありませんが、
このレギュレータのコモンピンがどういうわけか浮いてカウンタ回路に14Vがかかるのかもと思い、
点検しました。
3端子レギュレータのピン取付部にはんだクラックは見受けられませんでしたが、
念のために半田を一度溶融させ、またフレッシュなはんだを追加しておきました。
|
|

|
|
|
|
レギュレータのコモンピン接続は正常に見えましたが、
DC14V入力側に入れられた5.6Ωセメント抵抗リードのはんだ付けにクラックの兆候がありました。
ので再はんだ処置。
ここの導通が悪くなればDG-1ロジック回路の電源電圧が5Vを大きく下回って誤動作することも考えられます。
いままで見た現象からはDC5Vラインの電圧低下を思わせる挙動はなかったので、
問題は起きていなかったと思います。
まあ、予防保全、ですね。
2026-01-07
|
|

|
|
クロックジェネレータのVcc配線
|
|
「部品面パターンだけで接続されているICのピン」に注目して基板を見ていくと、ここ。
カウンタミックスボードIC5の5ピン。
部品面パターンだけで接続されていますが、はんだはスルーホールを上がってきていません。
これはクロック10kHzから1kHzをつくる分周器です。
このICが止まれば「どれかひとつの桁しか表示されない」故障になります。
この症状は今は止んでいますが、予防措置としてはんだ付けしておきました。
2026-01-07
|
|

|
|
|
|
その処置を行った後にボードをDG-1シャシーに組付けたら、
「1ケタしか表示しない」現象が出ました。
ボードに力を入れたら正常になりましたが、まだどこかにありますね。
カウンタミキサボードをよく見ると、
基準クロック生成回路のICは4つともすべてVccの5ピンが部品面パターンになっていました。
なので、4か所ともすべて半田面でジャンプ処置しました。
ところでDG-1ユニット、
ネットに出回っているサービスマニュアルを見ると、
基準クロック原発振回路が1MHzのものと10MHzのものがあります。
10MHzのほうが後期改良型なのかな。
ラボの個体は10MHzバージョンです。
2026-01-08
|
|

|
|
連続テスト開始
|
|
ここまでの作業のあとは、DG-1は快調に動作しています。
しかしいままでに目撃したおかしな挙動のすべてが説明できたわけでもないので、
一歩二歩前進というだけなんでしょうね。
バンドセレクト関係の不具合はその後再発しておらず調査も進んでいないので、
どこかにまだ何かあるのか、それとも一時的な接触不良が治ったのか不明。
バンドセレクト信号が来ない原因は9V電源にあるのかもと思い、
AF-AVRボードを取り外してチェックしました。
目視で異常は見られません。
おまじない的に、レギュレータのパワートランジスタ周辺を含めて何ヶ所か再はんだ処置をしておきました。
熱の問題がありキャビネットに組み込むと問題が出るのかもしれません。
なので内部9Vラインと14MHz帯のバンドセレクト信号を測れるようにワイヤを引き出して、
キャビネットを組み立てて、連続稼働テストを開始しました。
2026-01-08
|
|

|
|
ダイヤル分解調整
|
|
24H経過。カウンタは順調に正常動作中。
2024年08月にダイヤルメカを組み直した時にサブダイヤルを正しく合わせられていませんでした。
ダイヤルを分解して再度組み立て。
メカニカルダイヤルで1kHzが読める状態に戻りました。
2026-01-09
|
|

|
|
第5回修理完了
|
|
日曜2000JSTからのHCJBとフレンドシップラジオをJJYバンドにして聞いて、
最後の手入れをしてから72時間経過。
デジタルディスプレイは安定して調子よく動作しています。
バンド切り替え不調も発生しておらず、9V電源は8.9Vで安定しています。
バンド切り替えのいたずらをした妖怪は影を潜めたかな。
よし、これで第5回修理は完了ということにして、メインワークステーションに戻して連続動作させよう。
バンド切り替えエラーの発生に気がつくように、
こんどは21.074MHzのFT8を連続受信することにします。
2026-01-11 第5回修理 完了
|
|

Click here to watch video on Twitter
Click here for video download
|
|
> 次の作業・・・
Attatchment: TS-820 Service Manual, excerpted
FEATURES
1. HF all-band SSB/CW/RTTY transceiver employing PLL system
This equipment is a SSB/CW/RTTY transceiver covering 1.8 to 29.7 MHz frequency bands (WWV: 15MHz)
in which an ideal circuit configuration has been achieved by employing a newly developed PLL technique.
2. Excellent spurious radiation characteristic and receiving two-signal characteristic
Thanks to employment of a FET balanced type mixer in each of the transmitting and receiving circuits and combinatian of MOS FET and a single conversion system,
excellent performance is obtained in both the spurious radiation characteristic and receiving two-signal characteristic.
3. Built-in IF shift circuit
The IF shift circuit used, also called a pass-band tuning circuit,
shifts the pass-band ofintermediate frequency without changing the received frequency.
Where there is radio interference,
the pass band can be shifted or the receiving frequency response can be set to a desired band only by manipulating one control knob.
4. Built-in RF processor
Thls transceiver is provided with a unique speech processor developed by KENWOOD.
This circuit serves for compression with small time constant at 455 kHz.
Due to processing at high frequency, the resulting distortion is minimized and deterioration of the tone quality is prevented unlike clippers.
5. Employment of RF negative feedback
RF negative feedback is applied between the final transmitting stage and the driver stage to suppress cross modulation distortion.
The good-reputation high-quality transmission radio waves are improved further by combination use of the amplifier type ALC and RF negative feedback.
6. Newly developed analogue dial
Due to combination use of the newly developed monoscale dial and subdial,
it is very easy to read frequencies.
Since such a circuit that a carrier frequency is kept unchanged regardless of charge-over of operation mode is employed,
each frequency is accurately indicated only by one dial index.
7. Rigid construction and excellent operability
Slice die cast is employed for the front panel and the chassis is constructed in the suffcient consideration of strength,
the transceiver maintains high mechanical stability even when installed on a vehicle.
The reduction gears of the PLATE and LOAD knobs,
the shape and arrangement of knobs designed on the base of human engineering permit superb operability together with the dial cotstructlan easy to read.
8. Built-in monitoring circuit
Unlike conventional transceivers,
TS-820 incorporates a monitoring circuit that permits the operator's speech to be monitored by himself during transmission.
This circuit can be used to check the modulated conditions or adjust the RF processor.
9. Audio frequency response change-over circuit to be used during SSB or CW receiving.
During CW receiving, audio frequency band is automatically narrowed to obtain tone quality easy to receive.
10. Built-in fixed channel circuit with RIT (crystal; option)
This transceiver is provided with a fixed channel circuit having RIT.
Since cross operation is possible between this circuit and built-in VFO, high technical operation is enioyable.
11. Transverter connection terminal provided
This transceiver permits combination use with transverter TV-502 (for 2m) only by connector connection.
Automatic change-over can also be effected between HF and VHF by using the power switch provided on the transverter.
12. Built-to AC power supply and attachable DC-DC converter
Mobile operation of the transceiver can be performed by equipping a DC-DC converter unit (DS-1) available at option.
13. Wide variety of auxiliary circuits and device
This transceiver is provided with wide variety built-in accessory circuits such as a noise blanker,
VOX circuit, side tone circuit, maker circuit, built-in speaker, AGC 3-position change-over switch,
heater switch, IF OUT terminal and connection terminals for a linear amplifier.
14. Systematized optional equipment
Optional equipments are fully provided such as remote VFO VFO-820, external speaker SP-820, CW filter YG-88C,
digital display DG-1, transverter TV-502, microphone MC-50 and low-pass filter LF-30A.
15. Use of digital display dial DG-1 (option)
1) Digital display dial
The diglal dial of TS-820 indicated transmit and receive frequencies using carrier.
VFO and local oscillator signals instead of converting VFO frequencies.
Thus, accurate frequencies can be read at all times at any band and any operating mode.
Since the accuracy of frequencies is set up only by the 1 MHz standard oscillator,
frequencies can be read accurately up to 100Hz order by calibrating the oscillator with WWV.
The green indication on the dial assures many hours of fatigueless operation.
2) D.H. (display hold) switch
By pressing the D. H. switch the frequency read on the digital remains on, thus serving as a memory system.
OUTLINE
The block diagram of TS-802 is shown on page 4.
The receiver part employs a single superheterodyne system,
while the transmitter part employs a single conversion system havifig a filter type SSB generator.
The intermediate frequency used is 8830kHz.
The local oscillalor employs a phase locked loop (PLL) circuit controlled by VFO
and the mixer circuit is of a balanced mixer type using dual-gate MOS FET in each of transmission and reception.
Thus, sprious radiation is minimized during transmission,
and the desired signal can be received without being interferred by large signals of adjacent channel or spurious radiation,
thus obtaining superb transmitting and recelving performances.
The IF shift function (electronic pass-band tuning) is also realized
by maling the most of PLL characteristinc and use of one SSB filter permits the same effect as in use of exclusive filters for USB and LSB.
In addition to the conventional accessory functions,
the various circuits newly developed such as RF speech processor and transmission monitor are provided.
CIRCUIT DESCRIPTION
TRANSMITTER SECTION
A voice signal applied to the microphone is fed to IF unit and amplified by microphone amplifiers Q19 - Q21,
which performs faithful amplificatlon using low-noise type transistors.
The audio frequency signal, after amplified, is applied to a ring modulator consisting of four diodes D26 - D29.
The DSB oulput of the ring modulator is passed through buffer amplifier Q18 and a crystal filler.
Then after converted into SSB signal, the output is further IF amplified by Q1 to be applied to the transmitter mixer in RF unit.
The transmitter mixer is of a double balanced mixer configuration using two MOSFETs Q1 and Q8 (3SK41).
In turn the output of VCO (voltage controlled oscillator) controlled PLL is used for the local oscillation,
thereby minimizing spurious radiation.
The SSB signal, the transmissisn signal converted into the desirgd frequency,
is amplified by transmitter driver tube 12BY7A and then is applied to the final stage power amplifier.
The final stage tubes are operated in AB1 class to amplify SSB slgnal with low distortion and the output thus obtained is fed to the antenna though a PI matching circuit.
RF negative feedback is applied between the final stage and the driver stage to suppress the cross modulation distortion further.
RECEIVER SECTION
The incoming signal is passed through RF ATT switch and after attenuated by approx 20dB,
if necessary, is applied to RF unit, and then RF amplified by Q2.
The amplified signal is passed through buffer amplifier Q3 and is mixed with the VCO output by balanced mixer consisting of two dual-gate MOS FETs Q6 and Q7,
thereby being converted in IF signal of 8830 kHz.
The signal is fed to IF unit and, after passing through the noise blanker circuit and crystal filter,
is amplified by three stages amplifiers Q1, Q2 and Q3 (3SK35) and then converted into AF signal by a ring detector consisting of four diodes D9 through D12.
The AF signal thus obtained is applied to AF AVR unit and amplified by Q1, Q2 and Q3 to a sufficient level enough to drive the speaker.
The frequency response of the AF amplifier is changed over to that for CW or SSB in interlocking with MODE switch.
UNIT
IF UNIT (X48-1150-00)
The IF unit is a very principal unit provided with many functions in both transmission and reception.
It consists of a microphone amplifier, ring modulator, crystal filter,
transmitter/receiver IF amplifier and ring detector as well as a noise blanker,
AGC armplitier, S meter ampiifier, speech processor and monitoring circuit.
Crystal filters are equipped only for SSB, but CCW filters available at option can be attached easily.
|
|
| TEST PINS |
SIGNAL |
| TP1 |
Noise Blanker |
| TP2 |
SSB DBM, Audit Input |
| TP3 |
RF Speech Processor,
455kHz Local Oscillator Output |
| TP4 |
RF Speech Processor,
455kHz Modulated Audio |
| TP5 |
CA2: SSB Modulator Carrier Input |
| TP6 |
CCR: SSB Modulator Carrier Input |
TEST PINS ON THE IF UNIT X48-1150-00
| TRIMMERS |
FUNCTION |
| VR1 |
S Meter |
| VR2 |
S Meter |
| VR3 |
RX SSB DBM Balance |
| VR4 |
Monitor Circuit,
Audio Output Level |
| VR5 |
TX SSB DBM Balance |
| VR6 |
RF Speech Processor,
Modulator Balance |
| VR7 |
RF Speech Processor,
Audio Output Level |
TRIMMERS ON THE IF UNIT X48-1150-00
|
RF UNIT (X44-1150-00)
This unit includes the ALC amplifier and the block bias circuit,
centering around the transmitter and receiver RF amplifier stage and mixer circuit.
They are arranged together with the coil pack unit of centralized tuning circuit.
COIL PACK UNIT (X44-1140-00)
Individual interstage coils of each band, band change-over rotary switch and variable capacitors are arranged neatly in this unit,
while operating in combination with the the RF unit.
PLL ASSEMBLY UNIT (X60-1010-00)
This consists of PD Unit (X50-1340-00) and VCO unit (X50-1330-00) to compose transmitter and receiver local oscillators.
Oscillation output havin the same stability as in the built-in VFO is obtained for each frequency band.
The PD unit consisting of crystal oscillators for respective frequency bands, two mixers,
a wave shaper and a phase comparator generates a control voltage for VCO (voltage controlled oscillator)
as a reference oscillator, and also congraturates an electronic IF shift loop arrangement using the carrier signal supplied from outside.
The VCO unit consists of oscillator for respetive frequency bands using FET (VCO),
buffer amplifier abd the oscillaton output stopping circuit, which stops the oscillation output when PLL falls,
and its output frequency is onsroleed bby the control signal fed from the PD unit.
Both units use diode switchws for band change-over.
COUNTER ASSEMBLY UNIT (X60-1020-00) (DG-1: Option)
This unit consists of a countermixer unit (X54-1150-00) and a counter unit (X54-1160-00):
the former mixes VCO output (the local oscillator signal of mixer) with a carrier signal into actual operating frequency and the latter counts the digital value of that frequency.
These circuits are strictly housed in a shield case.
Since all local osillator signals are read after combined with carrier signals,
actual operationg frequency can be always counted.
The output of the counter is picked out as a signal for driving the display tube and supplied to the display unit.
DISPLAY UNIT (X54-1170-00) (DG-1: Option)
The operating frequency counter by the counter unit is indicated by a 6 digit fluorescent display tube.
Use of blue display color won't weary the operator's eye.
5V AVR UNIT (X43-1220-00) (DG-1: Option)
This unit is a 5 volt stabilized power supply for the counter unit.
Due to use of ICs, the specified voltages are obtaind without making any adjustment.
CARRIER ASSEMBLY UNIT (X60-1000-00)
This unit consists of a CAR-1 unit X50-1310-00 and CAR-2 unit X50-1320-00.
CAR-1 unit includes oscillator circuits for LSB and USB transmission and reception and for CW and FSK reception,
while CAR-2 unit includes oscillation circuits for CW and FSK transmission.
These oscillators are crystal oscillators that serve as carrier generator during transmission and as BFO for the ring detection during reception.
Part of the output is applied to the PLL unit and counter unit.
AF-AVR UNIT (X49-1080-00)
This unit includes AF amplifgier in the final stage of the receiver section and the 99 volt stabilized power supply.
The frequency response of the AF amplifier can be automatically changed over to that for CW or CCW with tone switching diodes D1 and D2 by changing over the band switch.
FIX-VOX UNIT (X50-1350-00)
Thls unit includes a fixed-channel oscillator circuit,
VOX circuit for performing stand-by operation by means of voice and -6V generator circuit for black bias.
|
|

|
VFO UNIT (X40-1110-00)
Since the PLL circuit is controlled by VFO signal, the frequency stability of TS-820 is essentially determined by that of VFO.
The circuit consists of 2FETs, 2transistors and 3 diodes, and the oscillation frequency is 5.0 to 5.5 MHz.
MARKER UNIT (X56-1200-00)
A signal of 100 kHz is generated by driving a crystal quartz by Q1.
This oscillation frequency can be fine adjusted by ceramic trimmer TC1 inserted into the collector circuit.
The output of Q1 is wave-shaped by diode D1 and thereby the free-running multivibrator Q2, Q3 is triggered.
Although the free-running oscilation frequency exists around 25kHz,
it is accurately synchronized with 25kHz by the synchronizing signal of the output of the crystal oscillator.
This oscillation frequency is phase inverted by Q4 and the n taken out as the output.
FINAL UNIT (X56-1200-00)
This unit includes the final stage power amplifier compartment except for the output-side PIE matching circuit.
RELAY UNIT (X43-1190-00)
This unit consists of a stand-by relay and smoothing capacitors for DC low-voltage power supply and a 5 volt stabilized power supply for the PLL circuit.
The relay in this unit is mainly used to change over DC signal such as block bias or "cross" operation control.
HV UNIT (X43-1110-00)
This unit includes voltage-dividing resistors for measuring the plate voltage of S2001A
and voltage dropping resistors for reducing the screen voltage of S2001A with the MODE switch set to the TUNE position.
RECTIFIER UNIT (X43-1090-02)
This unit contains all the rectifier circuits of TS-820.
The high-voltage line of 800 volt uses voltage doubler rectifier,
the 300-volt/210-volt/C line uses a half-wave rectifier and the 14-volt line uses a bridge rectifier.
INDICATOR UNIT (X54-1180-00)
TS-820 permits 16 kinds of the so-calted cross operations using internal VFO,
remote VFO and internal fixed channels to be optionally selected by the operation if the function switch.
To perform this operation smoothly it should be able to be checked instantly which is in operation among two VFOs and internal fixed channels.
Thus, this unit indicates the indivisual operations of "VFO", "ATT", "FIX" and "RIT" using GaP light-emitting diodes.
VOX-VR UNIT (X54-1190-00)
Three variable resistors VOX GAIN. ANTI VOX and DELAY are directly mounted onto a printed circuit board.
FUNCTIONAL DESCRIPTION
SINGLE CONVERSION SYSTEM
Almost all conventional transceivers for amateur use employ the double conversion system as shown in Fig. 1,
particularly with the first local oscillator fixed and the second local oscillator variable.
This double conversion system has also been employed by KENWOOD in the transceivers up to TS-520.
The double conversion system has the following features:
1. Multiple band arrangement can be obtained comparatively easily by selecting the first local ocillator frequency.
2. The first IF frequency is fairly free to be set.
3. Mixer noise Is apt to increase due to twice frequency conversions.
4. Excessive level signals are fed to the second mixer. Thus, the two-signal characteristic might be deteriorated.
5. Due to many internal oscillators and mixers beat interference and spurious radiation are liable to be caused.
In turn the single conversion system has a si>mple circuit configuration as compared with the double conversion system,
as shown in Fig 2. and it is considered to be provided with the following features:
1. Since only one mixer is used, mixer noise level is low.
2. Since the number of osclilators can be reduced, beat interference in receiving and spurious radiation in transmitting are eliminated comparatively.
3. It is comparatively difficult to increase the number of bands. Thus. the local oscillator circuit configuration becomes complicated.
4. IF frequency cannot be set to a higher frequency (due to the IF crystal filter used).
TS-820 is designed to enhance the two-signal characteristic in receiving and on suppression of spurious radiation in transmitting.
Thus, it employs the single conversion system with PLL type local oscillator.
Employment of the PLL system permits various merits suc as unification of the dial pointer and IF shift functlon.
The circuit configuration of TS-820 is as shown in the block diagram. as shown in Fig. 3 (Frequency diagram),
TS-820 is of a single conversion type usin PLL local oscillator and crystal fillers of 8.83 MHz IF frequency.
[Fig. 1 Typical double conversion type]
[Fig. 2 Single conversion type]
[Fig. 3 TS-820 frequency diagram]
RF SPEECH PROCESSOR
During DX communication TS-820 can increase talk power by using the speech processor,
in which audio frequency signal is converted into 455 kHz SSB signal and compression processing is performed with a small time constant.
Thus, signal distortion is minimized and tone qualty is prevented from being deteriorated, as compared with the conventional clipper system.
The compression level can be adjusted by the COMP LEVEL knob, while watching the meter scale.
The dudio frequency signal applied to the microphone is amplified by Q22 to the level required for the balanced modulator circuit D31 io D34 and converted into 455 kHz.
Q28 is an oscillator for 455 kHz and Q29 is a buffer amplifier.
The voice signal converted into 455 kHz is amplified sufficiently by Q23 and Q24 subjected to automatic galn control by Q26 and Q27,
and compression-processed.
The processor level is adjusted by changing the emitter bias of Q23 with the RF PRO variable resistor.
The signal sufficiently compression-procassed is buffer amplified by Q25 and balance detected by D35 to D38 to be converted into audio frequency again (refer Fig. 4).
MONITORING CIRCUIT
Since TS-820 is provided with a monitoring circuit that perrmits the operatror to hear his voice during transmission,
it can be used to cheek the modulated condition or to adjust the RF speech processor.
This circuit is incorporated an the IF unit.
When the MONI switch mounted on the front panel is turned ON, the monitoring circuit is biased and operated.
The signal is passed through the IF crystal filter of 8.83 MHz, amplified by one-stage IF amplifier,
buffer amplified by Q12 in the monitoring circuit, further amplified by Q13,
product detected by FET Q14, and thereby demodulated into AF signal.
The AF signal thus obtained is then applied through VR4 to Q3 in AF AVR unit and thereby power amplified.
This circuit is energized only in SSB transmission.
D16 and D17 act as a diode switch to prevent the carrier from leaking into IF circuit (refer to Fig. 5).
PLL CIRCUIT
[INSERT PAGE 10, 11, 12 HERE]
IF SHIFT CIRCUIT
[INSERT PAGE 12, 13 HERE]
AGC CIRCUIT
[INSERT PAGE 14 HERE]
RF NEGATIVE FEEDBACK AND NEUTRIZING CIRCUIT
[INSERT PAGE 14 HERE]
NB CIRCUIT
[INSERT PAGE 15 HERE]
AUX BAND
[INSERT PAGE 15 HERE]
ADJUSTMENTS
1. Adjustment of Power Supply
1-1. 9V adjustment
1. Measuring instrument used; Voltmeter
2. Adjusting procedure
Connect the voltmeter between the 9V termmal and chassis on AF-AVR unit (X45-1080-00) and adjust VR4 on AF AVR unit until 9V is obtained
(refer to Fig. 20).
1-2. RF1 (3.3V) adjustment
1. Measuring instrument used: Voltmeter
2. Adjusting procedure
Connect the voltmeter between RF1 termrnal and chassis on AF-AVR unit (X49-1080-00) and adjust VR1 on AF-AVR unit until the meter reads 3.3V.
2. Adjustment of Receiver Section
2-9. RIT adjustment
1. Measuring instrument use; Unnecessary (use the built-in marker)
2. Adjusting procedure
1) Set the RIT knob just to 0 (center) and turn ON RIT switch.
2) Receive the maker signal and turn VFO until a beat of approx. 1 kHz is generated.
3) Turn OFF RIT switch and adjust VR2 in AF AVR unit (X49- 1080-00) until the beat frequency is kept unchanged when RIT switch is turned ON and OFF (refer to Fig. 28).
Shopping List
|
ITEM
|
QTY
|
NECESSITY
|
SPECIFICATION
|
|
800V Power Capacitor (C21)
|
2
|
ACQUIRED
|
500V 100μF Alminum Electrolytic Capacitor
φ36 x H 62
|
|
CW Filter
|
1
|
DESIRED
|
400Hz 8.8307MHz
|
|
EXT VFO Plug
|
1
|
ACQUIRED
|
9P MT Plug, @135JPY
|
|
HT Rectifier
|
(Spare)
|
ACQUIRED
|
1000V 1A, 10pcs/315JPY
|
|
Screw, outside
|
M4 X L5.5 φ8.3 H2.4
|
|
|
Go to Back to Radio Restorations
Go to NoobowSystems Lab. Home
http://www.noobowsystems.org/
Copyright (C) NoobowSystems Lab. Tomioka, Japan 2007, 2009, 2022, 2024.
2006-11-26 Acquired the TS-820S. Receiver worked. No Tx test has been done.
2007-03-26 Power fuse blew while monitoring WPX contest. Started to debug. Page created.
2007-03-30 800V circuit found to be defective.
2007-04-04 C21 500V 100uF electrolytic capacitor found to be defective.
2007-04-05 Counter assy unit disassembled and cleaned. Intermittent operation of the counter healed.
2007-04-06 Remote VFO plug added. Continue testing receiver section with new RHM5 antenna.
2007-04-08 Transmitter tested. Confirmed 100W output but tentative power capacitor failed.
2007-04-09 RIT adjustment trimmer broke.
2007-04-12 RIT adjustment trimmer replaced.
2007-04-15 Water washed the Front Panel with SimpleGreen.
2007-04-30 Testing CW transmission without driver and final power amplifier.
2007-06-08 Replaced HV 500V 100uF caps to new ones; confirmed the full power output.
2007-06-09 Reduced output to 50W by disconnecting the PD2 terminal to adapt Japanese law (max 50W for mobile station).
2007-06-10 Replaced top/bottom cover screws to new stainless ones.
2009-03-25 Retouched.
2009-08-01 Reformatted. Adapted Japanese text rendering behavior of Google Chrome 2.0.
2022-03-21 Reformatted. [Noobow9300A @ L1]
2022-11-22 Corrected typo. [Noobow9300A @ L1]
2022-12-05 Updated. [Noobow9200B @ L3]
2023-01-05 Updated. [Noobow7300A @ Usami, Ito-City, Shizuoka pref.]
2024-08-13 Updated. Frequency counter is fully operational. [Noobow9100F @ L1]
2024-08-25 Updated. Added a tag. [Noobow9300A @ L1]
2024-09-15 Updated. Added a link to RP-1500F. [Noobow9100F @ L1]
2025-05-06 Updated. Converted to UTF-8. [Noobow9100F @ L1]
2025-06-05 Added a tag. [Noobow9100F @ L1]
2025-08-26 Updated. [Noobow9200B @ L3]
2025-12-30 Updated. [Noobow9100G @ L1]
2026-01-01 Updated. [Noobow9100G @ L1]